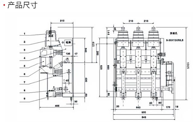
概述: FN12-12-12D/630-20型戶內交流負荷開關是額定電壓為12KV,額定頻率為50HZ的三相高壓開關設備,用于分合負荷電流,閉環電流,空載變壓器和電纜充電電流,關合斷路電流。配裝接地開關的負荷開關,可以承受斷路電流。 FN12-12RD/125-31.5型戶內交流高壓負荷開關—熔斷器組合電器是FN12-12D負荷開關開斷于S口LAJ-12高壓限流式熔斷器組合在一起的戶內高壓開關設備。它可以靠開斷直至短路電流的任何電流:負荷開關開斷工作電流,熔斷器開斷斷路電流,聯合開斷工作電流與全短路電流之間的任何過電流,同時熔斷器通過其撞擊器使負荷開關分閘。 FN12-12DR,FKN12-12DR組合電器主要適用于額定12KV三相交流50HZ環網或終端供電的市區配電站和工業用電設備中,用于分合負荷電流、閉環開斷電流、空載變壓器和電纜充電電流。組合電器配裝限流熔斷器還可作短路保護用,由于組合電器對變壓器等電器設備的保護比斷路器更可靠,特別適合于環網、雙輻射供電單元和箱式變電站。 FN12可加裝接地可帶熔斷器,用于墻上安裝。墻上安裝多配CS8-5專用手動操作機構。可側裝,正裝,倒裝等安裝方式,常規是上進線,下出現。可帶分勵手合電分,可手和手分。可電動分合等操作方式。  使用環境條件: 周圍空氣溫度:上限+40℃,下限-25℃; 海拔高度:1000m以下; 相對濕度;月平均值不大于90%, 日平均值不大于95%; 周圍空氣應不受腐蝕或可燃性氣體及水蒸氣體等明顯污染;無經常性的劇烈運動; 耐污穢等級:||級。 如使用條件超過上述規定,由用戶與制造廠協商確定。  型號及含義: F---負荷開關 N---戶內 前面12—設計序號 后面12---額定電壓 R---熔斷器(不帶可省略) D---接地開關(不帶可省略) 125---額定電流 31.5---額定短路開斷電流 口---機構形式 S 手操 D電動   主要技術參數: 1.額定電壓 12KV 2.額定頻率 50HZ 3.額定電流 (FN12-12D/630-20) 630A (FN12-12RD/125.31.5) 125A 4.雷電沖擊耐受電壓 對地及相間、隔離斷85KV 5.1min 工頻耐受電壓 對地相間42、隔離斷48 6.額定熱穩電流 20(4S)KA 7.額定動穩定電流 50KA 8.額定關合電流(峰值) (FN12-12D/630-20) 50KA 9.額定短路開斷電流 (FN12-12RD/125.31.5) 31.5KA 10.額定轉移電流 (FN12-12RD/125.31.5) 1.5KA 11.最大開斷電流(參考值) 1.8KA 12.開斷空載變壓器容量 1250KVA 13.額定電纜充電電流 10A 14.額定有功負載電流開關次數 >100次 15.撞擊器觸發負載開關分閘時間 (FN12-12RD/125.31.5) <0.06S 16.接地開關熱穩定電流 20(2S)KA 17.接地開關熱穩定電流(峰值)50KA 18.電動機操作電源電壓 AC220.DC48 V  1.公司所售商品為自己生產并銷售,能有效保證商品的質量和價格,避免中間商賺差價。同時,公司擁有專業的電力工程團隊和高壓生產經驗,歡迎您來實地考察! 2.公司所售商品可根據客戶提供圖紙定制,滿足您的使用需求! 3.公司售出的商品均附有簡單易懂的說明書,分步指導操作流程,調試產品有專用參數核算標準,保證產品的順利安裝使用。且世卓有專業的售后團隊,實時在線解答您的問題,真正做到為客戶排憂解難。
|